Zum Hauptinhalt springen Zur Suche springen Zum Menü springen

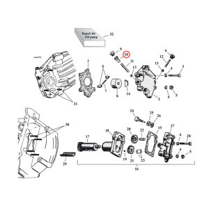
Adjusting screw, by-pass valve

41-73 45" SV (NU) (OIL PUMP; 1 USED) | Artikelzustand: NEU
8,49 €
inkl. 19% USt. , zzgl. Versand
1