Zum Hauptinhalt springen Zur Suche springen Zum Menü springen

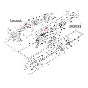
Ball bearing, starter motor commutator (outer) end

81-90 XL Sportster; 91-94 883 XL Sportster (NU) | Artikelzustand: NEU
11,95 €
inkl. 19% USt. , zzgl. Versand
1