Zum Hauptinhalt springen Zur Suche springen Zum Menü springen

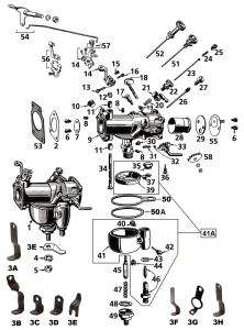
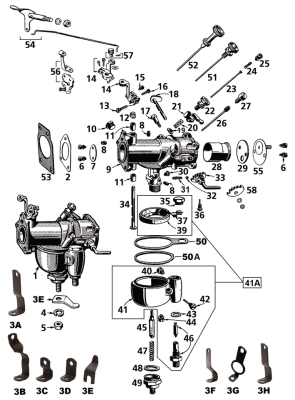
Choke Lever Parkerized BT38-65

Choke Lever Parkerized BT38-65. | Artikelzustand: NEU
49,95 €
inkl. 19% USt. , zzgl. Versand
1