Zum Hauptinhalt springen Zur Suche springen Zum Menü springen

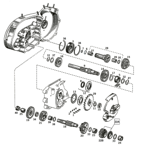
Clutch gear XLl84-86

Clutch gear XLl84-86. | Condizione dell articolo nuovo.
303,95 €
1