Zum Hauptinhalt springen Zur Suche springen Zum Menü springen

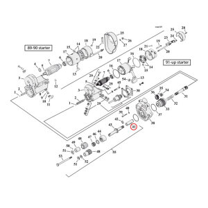
Coupling, starter motor to starter shaft extension

90-06 Big Twin (Excl. 2006 Dyna) (NU) | Artikelzustand: NEU
7,99 €
inkl. 19% USt. , zzgl. Versand
1