Zum Hauptinhalt springen Zur Suche springen Zum Menü springen

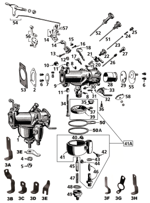
Float bowl, 1 1/2" Linkert

Float bowl, 1 1/2" Linkert. | article : NOUVEAU
97,95 €
inkl. 19% USt. , zzgl. Versand
1