Zum Hauptinhalt springen Zur Suche springen Zum Menü springen

James, O-ring drain, dipstick & oil pump plugs (25pk) | Lieferumfang: Nur ein Teil des abgebildeten Artikels.

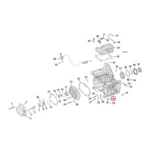
Crankcase; drain plug (1 used): 77-03 XL Sportster (NU). Primary cover; drain plug (1 used): 07-25 Softail; 07-25 FLT/Touring; 06-17 (NU) Dyna; 04-22 (NU) XL Sportster; 08-12 (NU) XR1200Transmission drain plug: 93-25 FLT/Touring (2); 91-17 Dyna (2); 00-25 Softail (1). Engine drainplug (1 used): 93-00 FLT; 91-00 Dyna. Upper O-ring; dipstick cover transmission (1 used): 91-98 Dyna. Oil pump plug check + relief valve plug (2 used): 78-99 Big Twin (Excl. Twin Cam). Crankcase oil screen plug (1 used): 70-99 Big Twin (Excl. Twin Cam). Drain plug S&S Big Twin crankcases; manufactured after Jan 5-2000. | Artikelzustand: NEU | Achtung: Es wird nur ein Teil des Artikels geliefert!
0,49 €
inkl. 19% USt. , zzgl. Versand
1