Zum Hauptinhalt springen Zur Suche springen Zum Menü springen

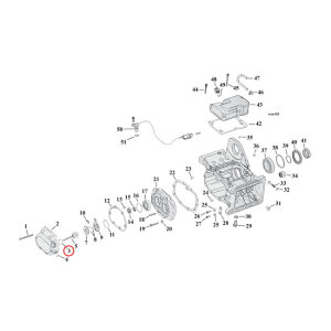
James O-ring, pushrod cover / dipstick / oil pump

Dipstick cover; upper (1 used): 91-98 Dyna (NU). Transmission oil dipstick (1 used): 93-17 (NU) Softail; 93-17 (NU) Dyna; 93-25 FLT/Touring (excl. 23-25 FLTRXSE; 24-25 FLTRXSTSE; 23-25 FLHXSE; 24-25 FLHX; 2025 FLHXU; 24-25 FLTRX). Pushrod cover middle (4 used): 79-25 Big Twin; L79-90 (NU) XL Sportster. Oil pump (1 used): 2025 Softail | Artikelzustand: NEU
5,99 €
inkl. 19% USt. , zzgl. Versand
25