Zum Hauptinhalt springen Zur Suche springen Zum Menü springen

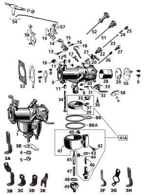
Linkert carb spring collar, OHV models (FR)

Linkert carb spring collar, OHV models. | article : NOUVEAU
16,95 €
inkl. 19% USt. , zzgl. Versand
1