Zum Hauptinhalt springen Zur Suche springen Zum Menü springen

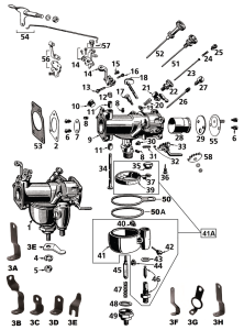
Main Nozzle Replica BT40-51

Main Nozzle Replica BT40-51. | Item condition: NEW
67,95 €
inkl. 19% USt. , zzgl. Versand
1