Zum Hauptinhalt springen Zur Suche springen Zum Menü springen

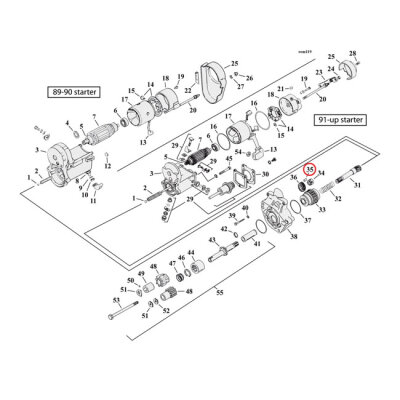
Roller, starter motor clutch

89-06 Big Twin (Excl. 2006 Dyna); 81-06 XL Sportster (NU) | Artikelzustand: NEU
32,95 €
inkl. 19% USt. , zzgl. Versand
24