Zum Hauptinhalt springen Zur Suche springen Zum Menü springen

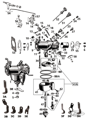
Screw, float lever Linkert

Screw, float lever Linkert. | Artikelzustand: NEU
4,99 €
inkl. 19% USt. , zzgl. Versand
10