Zum Hauptinhalt springen Zur Suche springen Zum Menü springen

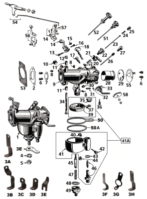
Venturi for M41/42/51/52/54/88 1"

Venturi for M41/42/51/52/54/88 1". | article : NOUVEAU
54,95 €
inkl. 19% USt. , zzgl. Versand
1