Zum Hauptinhalt springen Zur Suche springen Zum Menü springen

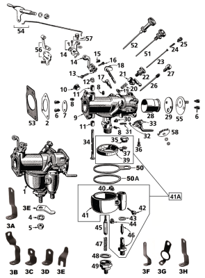
disc throttle 1 1/2", knuckle carbs 0,0

disc throttle 1 1/2", knuckle carbs 0,0. | article : NOUVEAU
15,95 €
inkl. 19% USt. , zzgl. Versand
1