Zum Hauptinhalt springen Zur Suche springen Zum Menü springen

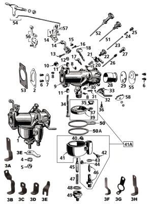
gasket, bowl lock nut, all models

gasket, bowl lock nut, all models. | Condizione dell articolo nuovo.
2,49 €
inkl. 19% USt. , zzgl. Versand
1