Zum Hauptinhalt springen Zur Suche springen Zum Menü springen

Colony Linkert support (ES)

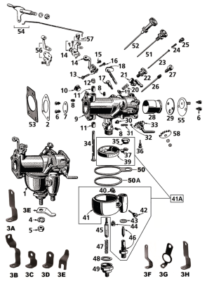
Colony Linkert support. | Estado del art
17,95 €
inkl. 19% USt. , zzgl. Versand
1