Zum Hauptinhalt springen Zur Suche springen Zum Menü springen

Cometic, O-ring | Lieferumfang: Nur ein Teil des abgebildeten Artikels.

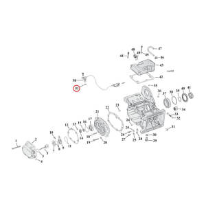
Piston cooling jets (2): 2001 only FLT (NU). Cam position sensor (1): 99-00 (NU) Dyna; 2000 (NU) Softail; 2025 Softail; 99-01 (NU) FLT; FLT/Touring 23-25 FLTRXSE; 24-25 FLTRXSTSE; 23-25 FLHXSE; 24-25 FLHX; 2025 FLHXU; 24-25 FLTRX. Crankshaft position sensor: 99-20 Softail; 99-17 Dyna; 04-20 FLT; 04-22 XL Sportster; 08-12 XR1200; 02-17 V-Rod (NU). Speedo sensor (1): 03-24 (NU) Softail; 02-24 FLT/Touring (excl. 23-24 CVO; 2024 FLHX; FLTRX); 02-17 (NU) Dyna. Return line oil cooling system cylinder head (1): 18-25 Softail. Crankshaft position sensor & map sensor (2 on one bike): 02-17 V-Rod (NU). | Artikelzustand: NEU | Achtung: Es wird nur ein Teil des Artikels geliefert!
-0,01 €
inkl. 19% USt. , zzgl. Versand
1