Zum Hauptinhalt springen Zur Suche springen Zum Menü springen

James, oil pump check valve/clutch balls | Lieferumfang: Nur ein Teil des abgebildeten Artikels.

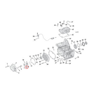
S&S HVHP pump: 84-99 Big Twin; 96-06 TC (Excl. 2006 Dyna). Camshaft support plate: 17-24 M8. Ball; between inner & outer clutch ramp (3 used): 87-24 Big Twin (Excl. hydrailic actuated clutch models); 94-22 XL Sportster; 08-12 XR1200Oil pump: among others 2011 Softail. Oil pump (as 8873): among others 2013 FLT/Touring. Oil pump; check ball: 37-99 Big Twin; 52-76 K; XL Sportster | Artikelzustand: NEU | Achtung: Es wird nur ein Teil des Artikels geliefert!
0,99 €
inkl. 19% USt. , zzgl. Versand
1