Zum Hauptinhalt springen Zur Suche springen Zum Menü springen

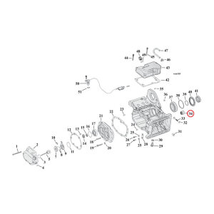
Koyo bearing, transmission closed end

80-06 5-speed Big Twin; 91-05 XL Sportster (NU) | Artikelzustand: NEU
50,95 €
inkl. 19% USt. , zzgl. Versand
1