Zum Hauptinhalt springen Zur Suche springen Zum Menü springen

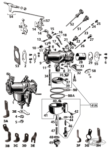
Linkert M88 M90 M641 venturi 15/16" (IT)

Linkert M88 M90 M641 venturi 15/16". | Condizione dell articolo nuovo.
54,95 €
inkl. 19% USt. , zzgl. Versand
1