Zum Hauptinhalt springen Zur Suche springen Zum Menü springen

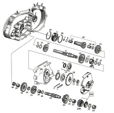
Mainshaft XL67-70

Mainshaft XL67-70. | Condizione dell articolo nuovo.
169,95 €
1