Zum Hauptinhalt springen Zur Suche springen Zum Menü springen

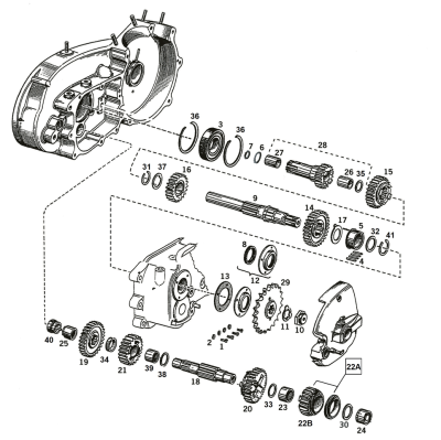
Transmission Mainshaft XLl84-90

Transmission Mainshaft XLl84-90. | Condizione dell articolo nuovo.
239,95 €
1